Politică
Actualitate
Externe
Economic
Cultură
Sport
Video
Comunicate
Evenimente
Ultima oră
Politică
Externe
Economic
Prețul apei în România
Cultură
Sport
Video
Evenimente
Marius Tucă Show
Ai Aflat! cu Ionuț Cristache
Altceva cu Adrian Artene
Cu Gândul la București
Gândul Green
Război în Ucraina
Comunicate
Poza
12
/
12
Înapoi la articol
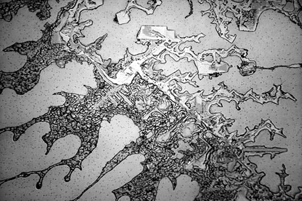
GALERIE FOTO:
Ce se vede când te uiți la lacrimi sub microscop. IMAGINI IMPRESIONANTE
×
Caută
×
Trimite acest link pe
WhatsApp icon
mai multe...
×